YAPS - Yet Another Pump Software
Anschluß von Displays
Text-LCD bzw. VFDs werden wie gewohnt an den Displaystecker des Pump angeschlossen. Grafische Displays können ebenso angeschlossen werden, sofern die neueste Firmware für den Atmel benutzt wird.
Ansonsten muß hierfür der Atmel umgangen werden, dies wird über den Parameter DisplayUseAtmel gesteuert. Dazu muß Pin 6 des Displaysteckers (LCD_SEL) vom Pump getrennt werden und statt dessen an Pin 14 des Printerports angeschlossen werden. Ansonsten ist der Anschluß nicht allgemein gültig, da bei Grafik-LCDs anscheinend nicht standarisiert. Die meisten Displays haben 6800 Interface. Die sind dann wie folgt anzuschließen:
| Bezeichnung | Kurzbez. | Anschluß am Pump |
|---|---|---|
| Spannungsversorgung | GND | Pin 1 des LCD-Steckers |
| Spannungsversorgung | +5V | Pin 2 des LCD-Steckers |
| Spannungsversorgung | -5V | Pin 3 des LCD-Steckers oder PC-Netzteil über Poti |
| Datenleitungen | D0..7 | Pins 7..14 des LCD-Steckers |
| DisplayEnable | E | Pin 6 (LCD_SEL) des LCD-Steckers oder Pin 14 des Druckerports (s.o.) |
| Register Select | C/D | Pin 5 (Sel0) des LCD-Steckers |
| Chip Enable | CE0/1 | Pin 4 (Sel1) des LCD-Steckers, Inverter nötig (s.u.) |
| Write Enable | R/W | Pin 1 (GND) des LCD-Steckers |
Einige Displays benötigen eine negative Spannung für den Kontrast, ich hole mir die -5V aus dem PC-Netzteil (weißer Draht). Ein 1kOhm Poti zwischen +5V und -5V stellt dann den Kontrastregler dar. Wenn das jemand über den Pump hinkriegt (Ladungspumpe am Kontrastausgang) soll er sich melden.>
Displays mit HD61202 haben zwei solche Controller, jeweils einen für die rechte und linke Displayhälfte. Da wir nur ein Selectsignal übrig haben müssen wir das zweite durch invertieren erzeugen, hierzu ist ein Transistor erforderlich. Als Beispiel liegt ein Schaltplan für das Display EA P128-6N7LED in der Datei LCD.png dabei.
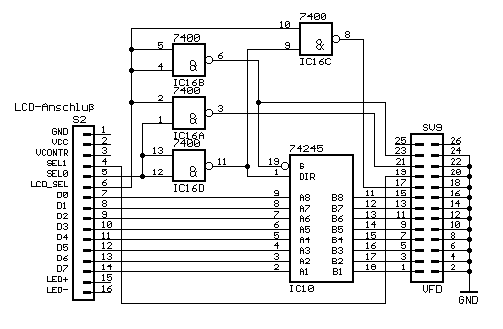
Noritake VF Displays der Serie 300 benötigen auch eine besondere Beschaltung, da sie einen Z80 Anschluß haben. Ausserdem belasten sie den Pump zu stark, daher noch ein Bustreiber:
Und so sieht es in der Realität aus:
![]() Grafik LCD 128x64 Pixel von Electronic Assembly (Unter Schnäppchen gucken) |
![]() Grafik VFD 128x64 Pixel von Noritake |


